Find
Search for a person
Search for a building
For students
For PhDs
For employees
Local Study portals
Physics and Astronomy
Local PhD portal
Physics and Astronomy
Pages for all PhD students
phd.au.dk
Local staff information
Department of Physics and Astronomy - Staff portal
Pages pages for staff members at AU
medarbejdere.au.dk/en/
ConSys - The control system for the ISA storage rings, IFA Labs and SU DESIREE.
A tree for site navigation will open here if you enable JavaScript in your browser.
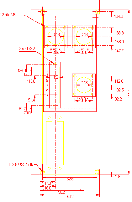
Pick Up Control Unit: Hardware
Download
PCB
(96k) in Protel format
Component Placement
Show
Component List
Mechanical
The front plade :
The back plade :
Last Modified 11 January 2019